MG电子免费试玩

撬动千亿市值 药研界“扛把子”靠的是什么?-新媒体动态-MG电子免费试玩官方网站

MG电子免费试玩

撬动千亿市值 药研界“扛把子”靠的是什么?
来源:MG电子免费试玩集团 日期:2017.07.26 浏览量:1477
    医药网7月25日讯 新药研发,服务外包,生物制药,基因组学检测,免疫治疗;“平安系”的金药投资, “国寿系”的国寿成达,马云的“云锋系”……紧扣资本热点题材,背靠保险巨头、强势风投。药研界“扛把子”药明康德从来不甘于被纯粹定位为一家新药研发外包服务公司,一直致力于打造新药研发的全球“平台”功能。而这些自带的热点,不仅为药明康德吸足了睛/金,也为其庞大布局的落地加上了几道保险。新康界与您共同解码龙头企业,探寻药明康德的发展路径,洞悉资本脉络。
 
    布局全产链打造一体化
 
    CRO出身的药明康德自始至终都在强调要做医药行业里完整的开发平台。在资本运转上,药明康德动作毫不含糊,近日,药明康德在证监会网站披露招股书,拟在沪市发行不超过1.04亿股,计划筹集资金57.41亿元。而在此前,其子公司合全药业已挂牌登录新三板,市值达172亿元,药明生物也于今年6月份在香港上市,估值超过412亿港元。以募资额计算,三家公司的总市值将超过千亿元。至此,药明康德资本市场版图已扩张至新三板、港股、A股,一拆三战略的第三幕重头戏正式开场。
 
    合全药业主要从事跨国药企的小分子药物中间体、原料药和制剂的CRO。药明生物从事生物制药行业的外包,提供生物药开发、生产服务——药明生物在免疫治疗领域近年频繁有大动作,最新的“大事件”是4月与天境生物签署战略合作协议,为其提供包括肿瘤免疫法及自身免疫系统疾病的多个抗体类药物的临床前技术服务。而小分子化学药的发现、研发及生产全方位、一体化平台服务,则将成为药明康德新药研发公司的业务主体。
 
    一拆三上市后,药明子公司的业务线更为清晰,其野心也由此可见一斑:
 
    在最激发想象的精准医疗相关业务领域,可以看到,从购入Illumina公司的illuminaHiseqX10测序系统,到收购全球唯一一家拥有大规模储存人类全基因信息的集中式数据库的美国NextCODE,再到联合华为推出了针对基因测序消费级市场的产品“明码云”,布局终端市场业务,药明康德已经基本实现了基因测序上下游产业链布局。
 
    根据招股说明书,药明康德拟募集57.4亿资金,发行量不低于总股数的10%,投前估值约为570亿。此次募集的资金里,10亿元将用于补充流动资金,其余将按轻重缓急分别用于苏州药物安全评价中心扩建项目、天津化学研发实验室扩建升级项目,值得注意的是,其中8.4亿投向美国细胞及基因治疗商业化cGMP项目,该项目是针对肿瘤的CAR-T细胞治疗以及腺病毒类载体及质粒载体研究。今年7月,诺华的CAR-T疗法CTL019获得FDA的投票认可,标志着全球第一个CAR-T细胞疗法有望在10月前获批上市,主要救治对象为儿童或青少年期的白血病患者。
 
 
    据药明康德副总裁、肿瘤和免疫部负责人冀群升博士介绍,药明康德已围绕肿瘤免疫,开发和建立了一体化的肿瘤免疫药物研发平台:从CRISPR文库体内筛选发现验证肿瘤免疫靶点、体外免疫细胞平台、肿瘤免疫动物模型平台、鼠替代免疫检查点抑制剂、肿瘤侵润淋巴细胞全方位免疫分析平台、人源化小鼠模型,到人肿瘤免疫分析。
 
    硬件和软实力优势明显
 
    下手快狠准,是药明康德的一大特色。虽然药明康德的业务都是公认的高门槛、烧钱型领域,但无论是资本,还是人才、技术、设备等方面,药明康德都独占优势。
 
    囊中有米。药明康德成立于2000年,用了7年时间在美国纽交所上市,又用了7年,以33亿美元代价完成私有化。过去14年间,药明康德的收入由20万美元增加到6.74亿美元,增长3000多倍。私有化后,有了更大的投资平台建设的自由,实现更加快速地扩展自己的能力和资产。截至2017年3月31日,药明康德共有30家境内控股子企业,27家境外控股子企业,3家分公司,6家参股子企业。
 
    手里握才。药明康德除继续扩展主打的药物研发、服务外包等领域,还在基因检测、免疫治疗等精准医疗概念方面有所布局,通过业务合作与服务客户,长期的技术积累为抗肿瘤生物药的研发打下基础。生物药的制造工艺门槛远高于化学药,特别是单抗药物,分子量大、结构复杂,想要通过对原研药化学分析来达到可自由替换的仿制品难度非常大,而国内的生产工艺设备系统也大多落后于生物研发转化投产的需求。相形之下,截至目前,药明康德在全球拥有24个研发生产基地/分支机构,员工总数超过1.1万人,已有及在建研发基地和生产厂房达56万平方米。过去16年间,从创始之初仅650平方米的化学服务实验室起步,药明康德已经建立起从药物发现到临床前开发,临床试验及小分子化学药生产的全产业链服务平台,成为中国规模最大、全球排名前列的小分子医药研发服务企业。
 
    截至2017年3月31日,药明康德为客户在研1000余项新药开发项目,并同时支持或承载着包括辉瑞、礼来、默克等全球多家知名药企200多个临床I-II期、30多个临床III期及商业化阶段的小分子化学药生产。但药明康德目前的生产仍是以供应临床试验为主,大型商业化生产经验仍欠缺;尤其是在生物制剂领域,产能瓶颈有待突破。
 
    股东阵容大牌明星扎堆
 
    2015年起,为满足业务发展需要,药明康德进行了部分的资产转让、业务剥离及资产重组,先后把大分子生物药业务、医疗健康科技服务业务剥离,专注于小分子化学药的发现、研发及生产全方位、一体化平台服务。
 
    截至2017年3月31日,药明康德共有30家境内控股子企业,27家境外控股子企业,3家分公司,6家参股子企业。
 
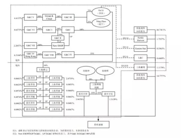
    股权结构方面,药明康德目前有42位股东,其中外资股东有17位,其中前十名股东持股占73.68%,本次发行后将降至66.31%,创始人李革、赵宁、刘晓钟、张朝晖共同控制34.4812%的表决权,为药明康德实际控制人,而除了管理层控制的G&CIV Limited以及晓钟投资之外,还有众多资本大佬参股其中,具体包括:汇侨资本AllyBridge、博裕资本、淡马锡生命科学TemasekPavilion JVCo、平安PingAn、高领资本Hillhouse Capital、云锋基金Yunfeng Capital、红杉资本Sequoia Capital、君联资本Legend Captial、浦银国际SPDB International。
 
 
    招股说明书显示,药明康德持股5%以上股东中,除了嘉世康恒和上海金药外,其余全为外资股东,包括:GloriousMoonlight(9.47%)、SummerBloom(8.69%)、G&C VI(8.64%)、WXAT BVI(8.64%)、ABG-WXHolding(HK) (7.80%)、嘉世康恒(7.67%)、HCFIIWX(HK)(6.69%)、G&C IV Hong Kong(6.32%)和上海金药(5.26%)9名股东。
 
    持股5%以下股东中,更是明星璀璨。中国人寿通过国寿成达持有药明康德1.33%股权;君联资本通过上海杰寰持有药明康德1.32%股权;首钢基金通过唐山京冀持有药明康德0.40%股权;马云的云锋基金持有药明康德0.40%股权;石药集团通过宁波弘祺持有药明康德0.27%股权。
 
    资料来源:招股说明书、时间财经
{*主站.标题#1001} {*主站.标题#1001} {*主站.标题#1001} {*主站.标题#1001} {*主站.标题#1001} 外围买足球网正规 欧宝体育竞猜在线平台 澳门足彩下载首页 365体育ap官方下载 沙巴体育亚洲版注册即送 澳彩体育手机网址 bb体育官方网站 best365体育登录网址 35体育首页歡迎您 >网站地图-sitemap